zwei Zoll weniger! Jetzt 15”
15” Lenkrad in Eigenfertigung Das sehr schöne, originale Lenkrad (Bluemel's) aus meinem Auto war mir mit 17” zu groß. Meine Oberschenkel waren immer damit in Kontakt. Also musste ein kleineres Exemplar her das aber ein Kopie des vorhandenen Steering Wheels sein musste. Ja, gibt es eventuell zu kaufen für stolze Summen und wo bleibt der Spaß? Eigene Herstellung muss doch möglich sein. Gehärtetes Aluminium gibt es und Naben und Holz auch.
Sieht doch gut aus?
Original und “Fälschung”!
Schablone herstellen und Lenkradkranz aus dünnen Leisten wickeln. Das war ein super Job zweier Freunde die goldene Hände im Umgang mit Holz haben. Mühsam und zeitaufwendig, aber es hat sich gelohnt.
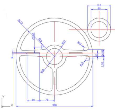
CAD-Zeichnung angefertigt und das Innenteil Laserschneiden lassen Es wird eine  Moto-Lita-Nabe verwendet.
,
.
15” Lenkrad in Eigenfertigung Das sehr schöne, originale Lenkrad (Bluemel's) aus meinem Auto war mir mit 17” zu groß. Meine Oberschenkel waren immer damit in Kontakt. Also musste ein kleineres Exemplar her das aber ein Kopie des vorhandenen Steering Wheels sein musste. Ja, gibt es eventuell zu kaufen für stolze Summen und wo bleibt der Spaß? Eigene Herstellung muss doch möglich sein. Gehärtetes Aluminium gibt es und Naben und Holz auch.
CAD-Zeichnznung angefertigt und das Innenteil Laserschneiden lassen Als Nabe  wird eine von Moto-Lita verwendet. A lles wurde vom Profi poliert.
Schablone herstellen und Lenkradkranz aus dünnen Leisten wickeln. Das war ein super Job zweier Freunde die goldene Hände im Umgang mit Holz haben. Mühsam und zeitaufwendig aber es hat sich gelohnt.
Sieht doch gut aus?
Original und “Fälschung”!